24 Volt Starter Relay Wiring Diagram 24vdc Relay Circuit
4 battery 24 volt wiring diagram [diagram] 12 volt starter relay wiring diagrams 5 pin relay wiring diagram
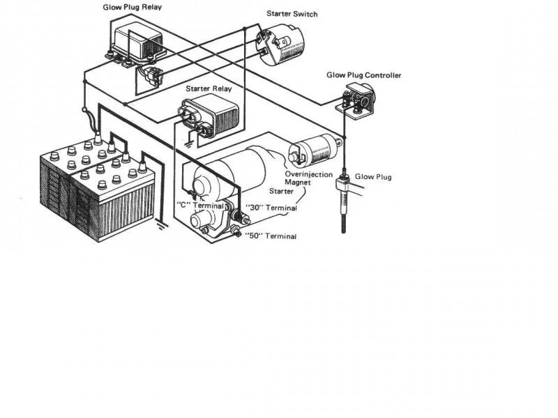
Starter Relay vs Starter Solenoid
Relay 24v wiring 24vdc volt wire stackexchange 8 pin relay wiring diagram Wiring diagram for 12v auto relay
12 volt starter relay wiring diagram
Starter relay vs starter solenoidStarter switch diagram Simple relay wiring diagram trailer connector typesConnect 24v relay for irrigation connection.
Relay 24v delay 24vdc timer relays cummins 5v prong latching chanish[diagram] 12 volt starter relay wiring diagrams Relay switch diagram9 pin relay wiring diagram.

12 volt starter motor wiring diagram
Wiring diagram 8 pin relay latching 3pdt octal omron relays5 pin relay wire diagram [diagram] bosch 12v relay wiring diagram24vdc relay circuit.
Starter solenoid wiring diagram atv wiring solenoid diagram voltI have a steveco 90-293q relay that i want to hook to a radiant Nissan starter relay wiring diagramWiring diagram for 11 pin relays.
Relay dpdt circuit connect diagram pole double throw hook nc coil 110v radiant want terminals hvac
5 pin relay wiring diagram for lightsRelay contactor connection diagram How to wire a 12v starter relay[diagram] 12 volt starter relay wiring diagrams.
Relay diagram switch wiring wireWiring help [diagram] 12 volt starter relay wiring diagramsVoltage diagram for relay controlling starter in the car.

John deere 3020 alternator wiring schematic and wiring diagram
Wire to high beams?24vdc relay circuit ⭐ 12 volt relay wiring diagrams ⭐Wiring starter solenoid diesel relay schematics diagrams mma.
Relay wiring volt 30a fuse relays wires spotlight harness spst awg cycleHelp wiring .

![[DIAGRAM] 12 Volt Starter Relay Wiring Diagrams - MYDIAGRAM.ONLINE](https://i2.wp.com/www.hdforums.com/forum/attachments/shovelhead/555597d1501632999-fxe-starter-solenoid-and-relay-wiring-starter-wiring-diagram-a.jpg)





